SV22-200W(B法兰)

额定功率:200W

额定电流:1.0A

额定转速:1500r/min

额定转矩:1.27 N.m

绝缘等级:F(155℃)

防护等级:IP54

工作制:S1

效率:84%


SV22-200W(B法兰)
立即咨询

联系热线

190-5756-1776

产品介绍

性能特点

环境湿度:环境湿度不大于 95%RH,无结露

安装环境:不受阳光直晒,无油雾,无蒸汽,无滴水,无可燃、无腐蚀性的环境

海拔高度:1000m 以下使用,1000m 以上请降额使用,海拔每升高100m,降额1%

环境温度:建议使用环境温度在-10℃到 +40℃。40℃-50℃,每升高1℃,降额 4%

环境震动:请避免用于连续振动,和有过度冲击的场合,振动不大于 0.5g(4.9m/s2)/50


选型参数

8-10的副本.jpg

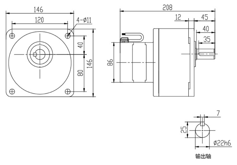
产品图纸

SV22-200W(B法兰)微型永磁减速电机图纸

截屏,微信识别二维码

微信号:19057561776

(点击微信号复制,添加好友)