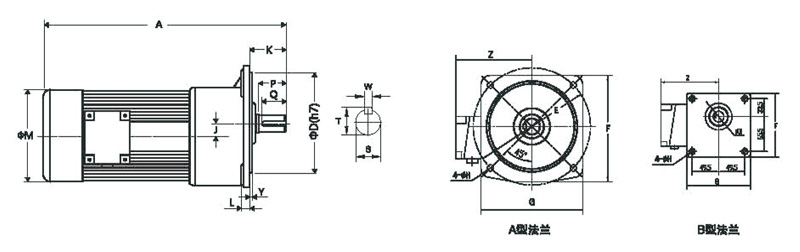
GV立式单相缩框型(刹车)减速马达
GV系列立式齿轮减速马达
语言
190-5756-1776
联系电话:19057561776
传真FAX:021-57272258
邮箱:ycgear115@163.com
地址: 上海市金山区朱泾镇工业园B区
出 力 轴:18-50
功率范围:100W~4000W
速比范围:3~6000
安装形式:卧式/立式
190-5756-1776
通过CCC、CE、 ISO9001认证,工厂拥有全套检测设备和试验设备,高精度设备保证产品加 工精度。减速机产品效率高达98%;承载能力大,全封闭不漏油、体积小质 量轻、无噪音寿命长!安装灵活。
